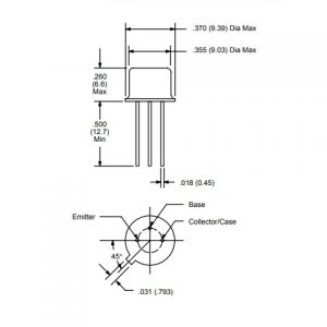
Un transistor PNP es un tipo de transistor de unión bipolar (BJT) que tiene una estructura positivo-negativo-positivo (PNP). Se utiliza comúnmente en circuitos electrónicos para amplificación y conmutación de señales. El NTE129 Transistor 80V @ 1 A, es un transistor Bipolar con encapsulado TO-126. Este transistor se utiliza para la conmutación de baja velocidad y amplificación.
Enlaces:








